產品中心
左側導航
地址:上海市金山區月工路285號
電話:021-57660798
傳真:021-57660799
手機:15857593458

地址:上海市金山區月工路285號
電話:021-57660798
傳真:021-57660799
手機:15857593458
發布日期:2019-05-24
瀏覽數量 :0
一、氣體渦輪流量計產品概述
AJWG系列氣體渦輪流量計是-種用于氣體流量測量的精密計量儀器,它具有壓力損失小、準確度高、始動流量低、抗振和抗脈動流性能好、量程比寬等特點。
AJWG系列氣體渦輪流量計考慮到氣體的可壓縮性,體積量與介質的溫度、壓力密切相關,因而增加了溫度、壓力傳感器,跟蹤介質的溫度和壓力變化,將工況流量直接轉換成標準狀態下的流量,保證了計量的準確性。AJWG 系列氣體渦輪流量計可分別用于測量基本潔凈的、低粘度的氣體,如:空氣、天然氣、煤氣、液化氣、瓦斯氣、氮氣、氬氣、二氧化碳、- -氧化碳等等;可廣泛用于石油、化工、電力、工業用鍋爐等燃氣計量和燃氣調壓站,輸配氣管網天然氣、城市燃氣計量等領域。
二、氣體渦輪流量計結構與工作原理
流量計是由氣體渦輪流量計基表與顯示儀兩部分組成,其中基表包含表體、整流器、渦輪、溫度傳感器、磁開關傳感器、壓力傳感器等重要功能零部件。
當流體流入流量計時,經一體化兩級整流器時,被整流加速,再作用于與流向成一定角度的渦輪葉片。在流體的作用下,由于渦輪葉片與流體流向成一定角度,此時渦輪產生轉動力矩,在渦輪克服阻力矩和摩擦力矩后開始轉動。當諸力矩達到平衡時,轉速恒定,渦輪轉動角速度與流量成線性關系。利用電磁感應原理,通過旋轉的渦輪驅動信號發生器頂端導磁體周期性地改變磁阻,使磁場也發生相應變化,從而感應出與流體體積流量成正比的脈沖信號。該信號經前置放大器放大,整形后與壓力傳感器、溫度傳感器檢測;到的壓力、溫度信號同時輸入到流量積算儀進行計算,并轉化為流量值,直接顯示標準瞬時體積流量和體積總量。

三、氣體渦輪流量計功能特點
◆整流裝置能在安裝條件不理想,介質流速變化相對較大的情況下保持計量的可靠性;
◆防塵結構能有效防止介質中的雜質進入軸承造成的快速磨損、卡死現象;
◆安裝要求低,前直管段≥2D,后直管段≥1D, 便能確保流量計的計量準確度;
◆智能一體化設計可動態檢測介質的溫度與壓力,并進行自動補償和壓縮因子修正,直接顯示氣體的標準瞬時體積流量和標準體積總量:
◆鋁合金渦輪強度高、耐腐蝕、抗老化、使用壽命長、準確度高、重復性好:
◆先進的微機技術 與高性能的單片機,使整機功能更強大、性能更優越;
◆先進的雙電源微功耗高新技術,整機功耗低,既能憑內電池長期供電運行(兩節鋰電池可用3~ 5年),又可接外電源供電運行;
◆大屏幕背光LCD顯示,在較暗環境下可清晰直觀讀數;
◆流量計帶有脈沖信號輸出,也可根據用戶需要輸出4~20mA標準模擬信號,IC卡定量脈沖信號等多種信號:
◆采用RS485,可與專用MODEM配套,通過電話網絡構建自動讀表管理系統,自動化程度高;
◆采用E2- PROM數據存儲技術,設置參數斷電后可長期保存;
◆內部電池低電壓報警(≤2.7V),提醒用戶及時更換電池;
◆智能流量積算儀可轉動180度,方便讀數;
◆意外斷電,自動保存數據,防止數據丟掉;
◆帶信號輸出校驗功能。可輸出4、8、12、16、20mA標準電流信號和0~ 1000Hz,占空比50%的標準脈沖;
◆采用超寬溫液晶顯示技術,液晶顯示屏工作溫度-30~80'C;
◆外供電與流量計主電路隔離,隔離電壓高達1000V;
◆可靠的電磁兼容設計;
◆省心:一個航空插頭,全部輸出接線。

四、氣體渦輪流量計技術性能指標
1、準確度等級
在量程范圍內準確度等級為: 1.0級、1.5級
1.0級: 0.2Qmax Qmax: 士1. 0%; Qmin^ 0. 2Qmax: 土2.0% ,
1.5級: 0. 2Qmax Qmax: 士1. 5%; Qmin^ 0. 2Qmax: 士3.0%
注:未特殊注明產品按1.5級出廠,其余準確度等級在訂貨時特別說明。
2、流量計型號規格和基本參數(見下表)

注: (1) “最大圧損”為標準狀態下,介質為空氣、流量カ最大Qmax吋,所測量圧損值;
(2)売體圧力等級分匁: 1.6MPa、 2.5MPa、 4.0MPa;
(3)“重量”カ各口徑流量汁在公稱圧力等級1.6MPa下的參考數據;
(4)需要其他圧力規格和特殊売體材料吋,靖在汀貨肘特別説明。
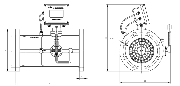
五、氣體渦輪流量計外形及連接尺寸


六、氣體渦輪流量計主要技術參數

七、氣體渦輪流量計選型代碼

八、氣體渦輪流量計訂貨須知
1、按照實際使用流量范圍,正確選型,特殊的性能要求須在訂貨時特別說明;
2、在選型時,若有不明之處,可直接與本公司技術人員聯系;
3、本流量計前面必須安裝過濾器,建議流量計與過濾器配套訂購;
4、流量計訂貨時必須明確型號、名稱、規格、測量范圍、工作壓力、工作溫度及被測流體名稱等要求;
5、流量計自出廠發貨期起12個月內,當用戶完全遵守產品技術要求和使用說明書中規定的運輸、保管、安裝及使用規定下,發現流量計有不符合產品技術標準時,可將儀表退回本廠維修、更換。